PROJET : SYSTÈME D'ALARME
La domotique est en passe de devenir une exigence dans chaque foyer, et les services de sécurité résidentielle gagnent en popularité en France. C'est dans ce contexte que j'ai été chargé d'élaborer un projet technique complet.
L'objectif : Construire un système d'ouverture de porte protégé par un code de sécurité. Le principe est simple mais critique : si le code saisi est correct et respecte le protocole, la porte s'ouvre. Si le code est incorrect, une alarme se déclenche.
L'objectif : Construire un système d'ouverture de porte protégé par un code de sécurité. Le principe est simple mais critique : si le code saisi est correct et respecte le protocole, la porte s'ouvre. Si le code est incorrect, une alarme se déclenche.
ARCHITECTURE DU SYSTÈME
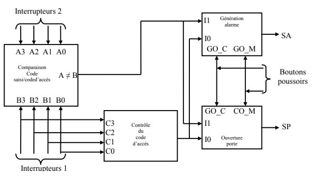
Pour réussir ce projet, j'ai décomposé le système en 5 blocs fonctionnels distincts :
1. Comparaison du code d'accès : Vérifie si le code utilisateur correspond au code défini.
2. Vérification du protocole : S'assure que le code respecte les règles de sécurité (ici, avoir deux '1' à la suite).
3. Génération d'alarme : Déclenchée si l'une des vérifications précédentes échoue.
4. Ouverture/Fermeture de porte : Activée uniquement si tous les signaux sont au vert.
1. Comparaison du code d'accès : Vérifie si le code utilisateur correspond au code défini.
2. Vérification du protocole : S'assure que le code respecte les règles de sécurité (ici, avoir deux '1' à la suite).
3. Génération d'alarme : Déclenchée si l'une des vérifications précédentes échoue.
4. Ouverture/Fermeture de porte : Activée uniquement si tous les signaux sont au vert.
Schéma fonctionnel des blocs logiques
RÉALISATION TECHNIQUE
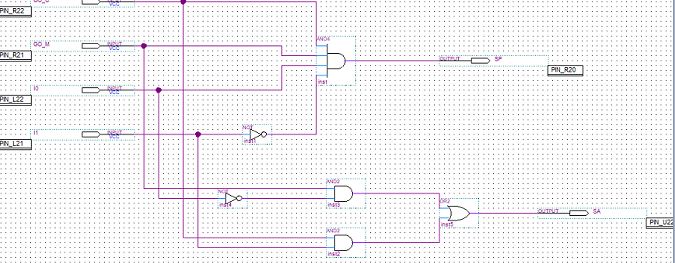
La mise en œuvre s'est faite via le logiciel Quartus 2. Chaque bloc complexe a été subdivisé en circuits électriques plus petits.
Nous avons pu "blaster" (téléverser) notre circuit et notre programme sur un Kit de Développement pour une simulation physique réelle :
Nous avons pu "blaster" (téléverser) notre circuit et notre programme sur un Kit de Développement pour une simulation physique réelle :
- Entrées : 8 interrupteurs sur la carte (simulant le code utilisateur et le code admin).
- Sorties : Une LED rouge pour l'alarme, une LED verte pour l'ouverture de la porte.
Simulation sur le kit de développement FPGA
CE QUE J'AI APPRIS
Ce projet m'a enseigné une leçon précieuse : n'importe quelle tâche complexe peut être fragmentée en petites briques élémentaires faciles à comprendre (tables de vérité, circuits de base).
J'ai également acquis une méthodologie de travail rigoureuse :
Table de vérité → Circuit → Programmation → Dépannage → Itération.
Plus important encore, j'ai compris qu'une erreur commise au tout début du projet peut compromettre les résultats jusqu'à la toute fin. Malgré les défis, je suis très satisfait du résultat final et des connaissances techniques acquises très variées (Ex : le rôle des cristaux dans les horloges électriques, etc.)
J'ai également acquis une méthodologie de travail rigoureuse :
Table de vérité → Circuit → Programmation → Dépannage → Itération.
Plus important encore, j'ai compris qu'une erreur commise au tout début du projet peut compromettre les résultats jusqu'à la toute fin. Malgré les défis, je suis très satisfait du résultat final et des connaissances techniques acquises très variées (Ex : le rôle des cristaux dans les horloges électriques, etc.)
BILAN ET COMPÉTENCES
Au terme de ce projet, je repars avec les acquis suivants :
🛠 Compétences Techniques (Hard Skills) :
🧠 Compétences personnelles (Soft Skills) :
🛠 Compétences Techniques (Hard Skills) :
- Conception de circuits logiques : Maîtrise des portes logiques, tables de vérité et architecture matérielle.
- Outils de CAO Électronique : Utilisation avancée du logiciel Quartus II pour la simulation et la synthèse.
- Prototypage FPGA : Expérience pratique sur kit de développement (gestion des I/O physiques).
- Dépannage (Troubleshooting) : Capacité à isoler les pannes dans un circuit complexe.
🧠 Compétences personnelles (Soft Skills) :
- Esprit d'analyse : Capacité à décomposer un problème complexe en sous-tâches gérables.
- Rigueur et Précision : Compréhension de l'impact critique des erreurs initiales sur la chaîne de production.
- Persévérance : Gestion d'un projet sur le long terme avec ses phases d'itérations et de corrections.
- Méthodologie : Application stricte d'un workflow de développement (Design -> Build -> Test -> Fix).